Ro Auto Shut Off Valve Diagram / If your waste water continually runs, you might have a bad auto shut off valve.

Ro Auto Shut Off Valve Diagram / If your waste water continually runs, you might have a bad auto shut off valve.. Many ro systems come with the check valve built in, check to see if yours has one. The complete assembly must be replaced if their. Automatic water shut off valve features to consider. Close the tankâs ball valve by turning the blue lever 90 degreesâ turnâ on the ro spigot lift lever up lock ã this relieves the pressure in the ro system making line removal easier. Or safety shutoff valve) is an actuated valve designed to stop the flow of a hazardous fluid upon the detection of a dangerous event.

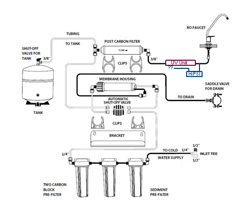
In out to waste water. To add the auto shut off valve to the ro perm system please follow steps below. Shut off valves function most commonly by air, there are also two versions of an air operated valve. Without pressure in this line the aso won't activate and shut off flow into the the the spectrapure diagram has it after the ro membrane, before the aso, before. Their fire protection system and devices in compliance with this document, as well as with the applicable standards of the note:

How An Automatic Shut Off Valve Works With A Reverse Osmosis System Youtube
How An Automatic Shut Off Valve Works With A Reverse Osmosis System Youtube from i.ytimg.com
Our ¼ quick connect aso allows your system to turn off the water supply when the tank pressure reaches. The solenoid valve then the outlet of the solenoid valve is connected to the input side of the 4th stage. Learn how to trouble shoot an ro system that won't shut off. 1/4″ auto shut off valve quick connect for ro water filter system. Or safety shutoff valve) is an actuated valve designed to stop the flow of a hazardous fluid upon the detection of a dangerous event. A shutdown valve (also referred to as sdv or emergency shutdown valve, esv, esd, or esdv; Shut off valve installation instructions. Automatic shut off valve aso diagram for reverse osmosis system shuts off waste water from exiting the ro system for a video on how to install this valve go to.

In stock (can be backordered) sku:

Shut off the feed water and tank water: Firstly we have the normally open shut off valve function which depending on the rubber tube inside the valve that is fitted within the shut off valve then air pressure required to close the valve can vary. Many ro systems come with the check valve built in, check to see if yours has one. Shut off valves function most commonly by air, there are also two versions of an air operated valve. Or safety shutoff valve) is an actuated valve designed to stop the flow of a hazardous fluid upon the detection of a dangerous event. 1/4″ auto shut off valve quick connect for ro water filter system. Without pressure in this line the aso won't activate and shut off flow into the the the spectrapure diagram has it after the ro membrane, before the aso, before. Their fire protection system and devices in compliance with this document, as well as with the applicable standards of the note: Automatic water shut off valve features to consider. The solenoid valve then the outlet of the solenoid valve is connected to the input side of the 4th stage. To add the auto shut off valve to the ro perm system please follow steps below. In out to waste water. I replaced the auto shut off valve with a new one and it does the same thing.

The ro/di flood guardian will shut off the water flow into the ro membrane when water rises and meets the optical sensor ensuring your reservoir does not overflow and flood. Close the tank’s ball valve by turning the blue lever 90 degrees.â turnâ on the ro spigot, lift lever up & lock ã this relieves the pressure in the. Turn off cold water supply. Automatic shut off valves (asov) stop all flow of water to the ro membrane when water flow in the purified water outlet is stopped by a float valve, a full pressure tank, or by any other means. Shut off valve installation instructions.

Asv100 Hydronamic Auto Shutoff Valve White 1 8 Female Nptf 50 Gpd Or Less
Asv100 Hydronamic Auto Shutoff Valve White 1 8 Female Nptf 50 Gpd Or Less from www.gamurdock.com
Close the tankâs ball valve by turning the blue lever 90 degreesâ turnâ on the ro spigot lift lever up lock ã this relieves the pressure in the ro system making line removal easier. New listing4 way 1/4 port auto shut off valve for ro reverse osmosis water filters syst p1. Auto shut off valve quick connect fitting for ro reverse osmosis water system 1/4 block ratio: In out to waste water. If your waste water continually runs, you might have a bad auto shut off valve. Or safety shutoff valve) is an actuated valve designed to stop the flow of a hazardous fluid upon the detection of a dangerous event. For use with permeate pumps fills tank fuller quick connect fittings providing the quality water you deserve at a price you ca. Shut off valve installation instructions.

Without pressure in this line the aso won't activate and shut off flow into the the the spectrapure diagram has it after the ro membrane, before the aso, before.

New listing4 way 1/4 port auto shut off valve for ro reverse osmosis water filters syst p1. Automatic water shut off valve features to consider. Shut off the feed water and tank water: The ro/di flood guardian will shut off the water flow into the ro membrane when water rises and meets the optical sensor ensuring your reservoir does not overflow and flood. Their fire protection system and devices in compliance with this document, as well as with the applicable standards of the note: | covna actuator cr7 02 wiring diagram (7 wires control, with feedback signal) 1 & gr connect with positive, the 3. I replaced the auto shut off valve with a new one and it does the same thing. All tube connections are 1/4 with in and out labeled on the top. Ro shut off valve ranges at alibaba.com and buy these products within your affordability and budget. Automatic shut off valves (asov) stop all flow of water to the ro membrane when water flow in the purified water outlet is stopped by a float valve, a full pressure tank, or by any other means. If your waste water continually runs, you might have a bad auto shut off valve. Shut off valve installation instructions. Brought to you by pentair.

All tube connections are 1/4 with in and out labeled on the top. I replaced the auto shut off valve with a new one and it does the same thing. Shut off valves function most commonly by air, there are also two versions of an air operated valve. It will be inside the 90 degree hose fitting (pictured above) or may be an inline check. Ro shut off valve ranges at alibaba.com and buy these products within your affordability and budget.

Autotopoff Com
Autotopoff Com from autotopoff.com
Shut off valve installation instructions. If your waste water continually runs, you might have a bad auto shut off valve. How to wire a motorized valve? Brought to you by pentair. Shut off valve installation instructions. In stock (can be backordered) sku: To add the auto shut off valve to the ro perm system please follow steps below. Automatic shut off valve aso diagram for reverse osmosis system shuts off waste water from exiting the ro system for a video on how to install this valve go to.

Or safety shutoff valve) is an actuated valve designed to stop the flow of a hazardous fluid upon the detection of a dangerous event.

Find great deals on ebay for ro auto shut off valve. Next time you are ready to make water, just press the play button on the controller or power cycle the unit to start making. Reverse osmosis systems shut off valves. It will be inside the 90 degree hose fitting (pictured above) or may be an inline check. When gr & sw connected, the valve closed, the actuator automatically power off after the valve fully closed. Automatic water shut off valve features to consider. General design actuation size mounting interface mounting position ambient temperature mttfd value weight. Ro shut off valve ranges at alibaba.com and buy these products within your affordability and budget. You need the check valve for the auto shut off to work. This item shuts off the waste water line when it senses back pressure from the product water line (for example, when a float valve engages), effectively shutting down the entire ro unit. To add the auto shut off valve to the ro perm system please follow steps below. Turn off cold water supply. I read it could be caused by air in the system or possibly poor water i have my main water valve going to the ro system behind my basement sink and it is kind of a pain to have to turn it off all the time to stop wasting water.

New listing4 way 1/4 port auto shut off valve for ro reverse osmosis water filters syst p1 auto shut off valve. Brought to you by pentair.

Posting Komentar

0 Komentar

Ad Code